Перистальтический насос AS VX регулируемая производительность

Насос с механическим вариатором переменной производительности
- Производительность: 3,2 – 1280 л/ч.
- Напор: до 30 м.
Перистальтический насос с переменным расходом AS VX (с механическим вариатором)
Промышленный перистальтический насос серии AS VX оснащен надежным механическим вариатором, что позволяет плавно регулировать скорость потока и точно дозировать рабочую среду. Эта линейка объемных самовсасывающих насосов создана для деликатного и безопасного перекачивания самых сложных жидкостей без риска повреждения оборудования или изменения структуры самого продукта.
Особую ценность серия AS VX представляет для химической и нефтехимической промышленности, где требуется абсолютный контроль над подачей агрессивных реагентов, кислот и щелочей.
Главные технические характеристики AS VX
Насосы серии AS рассчитаны на выполнение высокоточных задач в промышленных и пищевых сферах, где важна стабильность потока и бережное отношение к структуре продукта:
- Тип насоса: Перистальтический объемный насос
- Конфигурация расхода: Переменная (благодаря механическому вариатору серия VX)
- Диапазон производительности (расход): от 1,5 до 1785 л/ч
- Рабочее давление: от 1,5 до 4 бар
- Тип всасывания: Самовсасывающий
- Сфера применения: Промышленные, агрессивные и пищевые жидкости
- Характер жидкостей: Умеренно вязкие, абразивные, с наличием твердых частиц (суспензии), чувствительные к механическому воздействию (сдвигу).

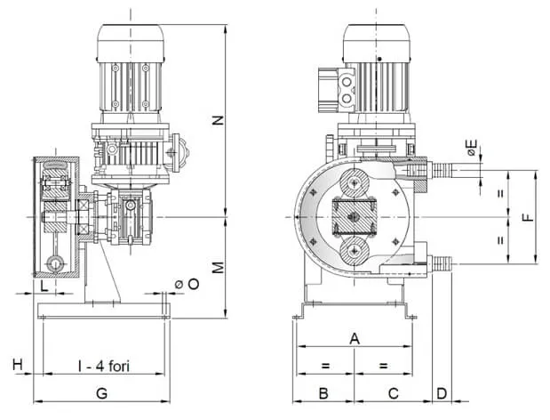
| Тип | A | B | C | D | E | F | G | H | I | L | M | N | O | Kg. |
|---|---|---|---|---|---|---|---|---|---|---|---|---|---|---|
| AS 10 VX | 172 | 92 | 92 | 20 | 15 | 104 | 185 | 12 | 166 | 28 | 137 | 328 | 7 | 12 |
| AS 15 VX | 172 | 92 | 110 | 20 | 20 | 127 | 183 | 12 | 166 | 30 | 137 | 328 | 7 | 13 |
| AS 20 VX | 210 | 112 | 142 | 35 | 25 | 175 | 248 | 18 | 220 | 40 | 184 | 343 | 7 | 22 |
| AS 25 VX | 250 | 146 | 210 | 45 | 32 | 254 | 386 | 81 | 290 | 52 | 228 | 476 | 11 | 45 |
Технические характеристики перистальтического насоса AS VX с регулируемой производительностью
| Тип | Расход (л/ч) |
Всасывание (м) |
Напор (м) |
Обороты (об/мин) |
I | kW | Внутр. диаметр шланга |
Литров за оборот |
Мин. пусковой момент |
|---|---|---|---|---|---|---|---|---|---|
| AS 10 VX | 23 | 4 | 15 | 23 | 60 | 0.18 | 9 | 0.017 | 6 |
| 35 | 4 | 15 | 35 | 40 | 0.18 | ||||
| 47 | 4 | 15 | 47 | 30 | 0.18 | ||||
| 70 | 4 | 15 | 70 | 20 | 0.18 | ||||
| 93 | 4 | 15 | 93 | 15 | 0.18 | ||||
| AS 15 VX | 56 | 4 | 15 | 23 | 60 | 0.18 | 13 | 0.041 | 12 |
| 86 | 4 | 15 | 35 | 40 | 0.18 | ||||
| 115 | 4 | 15 | 47 | 30 | 0.18 | ||||
| 172 | 4 | 15 | 70 | 20 | 0.18 | ||||
| 228 | 4 | 15 | 93 | 15 | 0.18 | ||||
| AS 20 VX | 149 | 5 | *15-40 | 23 | 60 | 0.18 | 17 | 0.108 | 20 |
| 227 | 5 | *15-40 | 35 | 40 | 0.18 | ||||
| 305 | 5 | *15-30 | 47 | 30 | 0.18 | ||||
| 453 | 5 | *15-30 | 70 | 20 | 0.18 | ||||
| 602 | 5 | *10-20 | 93 | 15 | 0.18 | ||||
| AS 25 VX | 538 | 6 | *20-40 | 28 | 60 | 0.37 | 25 | 0.320 | 30 |
| 672 | 6 | *20-40 | 35 | 40 | 0.37 | ||||
| 902 | 6 | *20-30 | 47 | 30 | 0.37 | ||||
| 1344 | 6 | *20-30 | 70 | 20 | 0.75 | ||||
| 1785 | 6 | *15-20 | 93 | 15 | 0.75 |


Таблица выбора шлангов к насосу AS
| МАТЕРИАЛ | ЦВЕТ | ПРИМЕНЕНИЕ | Рабочая T °C | Макс. T °C | СЕРИЯ AS |
|---|---|---|---|---|---|
| Силикон (Silicone) | Красная трубка | Неагрессивные химические продукты | 120 | 150 | Да |
| Норпрен (Norprene) |
Кремовая трубка | Спиртовые продукты, разбавленные кислоты, щелочи, масла и абразивы | 100 | 130 | Да |
| Фармед (PharMed) |
Кремовая трубка | Пищевые, фармацевтические и химические продукты, щелочи, масла, разбавленные кислоты | 100 | 130 | Да |
| NR | Зеленая полоса | Абразивные, солевые, щелочные, спиртовые продукты | 60 | 80 | Да (размер 20/25) |
| Пищевой NR (NR Food) |
Черная трубка с белым внутренним слоем | Нежирные пищевые продукты | 50 | 70 | Да (размер 25) |
| NBR | Красная полоса | Маслянистые продукты, жиры, углеводороды и углеводородные растворители | 40 | 60 | Да (размер 25) |
| Пищевой NBR (NBR Food) |
Черная трубка с красной полосой и белым внутренним слоем | Жирные пищевые продукты, такие как растительные и животные масла/жиры | 40 | 60 | Да (размер 25) |
| EPDM | Белая полоса | Неагрессивные химикаты, разбавленные кислоты, щелочи, солевые растворы | 60 | 80 | Да (размер 25) |
| Хайпалон (Hypalon) |
Желтая полоса | Химикаты, кислоты, щелочи, растворители, окислители, спирт, соли и углеводороды | 60 | 90 | Да (размер 25) |
| Специальные (Special) |
– | Для очень требовательных применений с точки зрения химической совместимости мы предлагаем выбор специальных трубок из Viton, Tygon и ChemoDurance | – | – | Да (размер 10/15) |